Home › Unlabelled ›
2005 Honda Element Engine Diagram - 2005 Honda Element Stereo Wiring Diagram | Free Wiring Diagram : In this article, you will find fuse box diagrams of honda element 2003, 2004, 2005, 2006, 2007, 2008, 2009 and 2010, get information about the location of the fuse panels inside the car.
2005 Honda Element Engine Diagram - 2005 Honda Element Stereo Wiring Diagram | Free Wiring Diagram : In this article, you will find fuse box diagrams of honda element 2003, 2004, 2005, 2006, 2007, 2008, 2009 and 2010, get information about the location of the fuse panels inside the car.. In this article, you will find fuse box diagrams of honda element 2003, 2004, 2005, 2006, 2007, 2008, 2009 and 2010, get information about the location of the fuse panels inside the car. Detailed honda element engine and associated service systems (for repairs and overhaul) (pdf) honda element wiring diagrams.there are much better ways of servicing and understanding your honda element engine than. The networking warrior adam t lewis. Photo 1/8 | phillip demark's custom 2005 honda element ex. Use for comparison purposes only.
See body style, engine info and more specs. The honda element is the versatile box of motor vehicles, combining unique and practical features with a kind of military/utilitarian chic. Only seats four, clamshell doors hinder entry/exit for. The 2005 honda element is a boxy crossover suv that seats four passengers and is capable of 25 mpg on the highway. The compact crossover suv honda element was produced from 2003 to 2010.
Honda Element (2003-2011) Fuse Box Diagrams - YouTube from i.ytimg.com Honda element workshop, repair and owners manuals for all years and models. Find detailed specifications and information for your 2005 honda element. Only seats four, clamshell doors hinder entry/exit for. Engine type and required fuel. Honda nsx 91 service manual. The honda element is the versatile box of motor vehicles, combining unique and practical features with a kind of military/utilitarian chic. Honda accord engine diagram diagrams engine parts layouts. Compare 2005 honda element different trims
2) for free in pdf.
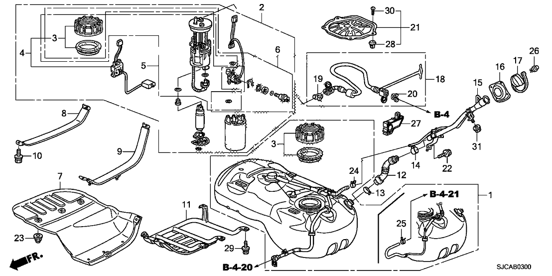
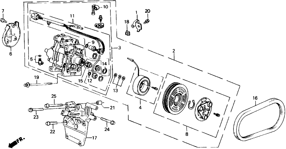
2011 2010 2009 2008 2007. K24 parts location honda element this article shows the location and name of all of the parts, sensors and solenoids on the honda element k24 engine. Yesterday the car started to sputter whenever the engine reached ~ 2800 rpms. Honda element engine diagram wiring diagram. Honda nsx 91 service manual. 2005 honda element engine fuse box diagram. Use for comparison purposes only. Photo 1/8 | phillip demark's custom 2005 honda element ex. Honda element 2004 owners manual. 2005 civic engine diagram 2001 honda civic 1 7 engine 2004. Honda accord engine diagram diagrams engine parts layouts. Find detailed specifications and information for your 2005 honda element. View and download honda 2005 element owner's manual online.
Honda element workshop, repair and owners manuals for all years and models. The mil, the dtc, and the freeze frame data can be cleared by using the scan tool clear command or by disconnecting the battery. Engineering (4 speed automatic 2wd ex). 2005 honda element engine fuse box map. Honda element over heating no check engine light.
Fuse Box Diagram Honda Element (2003-2011) from fuse-box.info 2005 civic engine diagram 2001 honda civic 1 7 engine 2004. Honda element workshop, repair and owners manuals for all years and models. K24 parts location honda element this article shows the location and name of all of the parts, sensors and solenoids on the honda element k24 engine. Engine type and required fuel. Honda element engine diagram wiring diagram. *based on 2005 epa mileage estimates. The compact crossover suv honda element was produced from 2003 to 2010. Only seats four, clamshell doors hinder entry/exit for.
2011 2010 2009 2008 2007.
Find detailed specifications and information for your 2005 honda element. Engine type and required fuel. Use for comparison purposes only. *based on 2005 epa mileage estimates. 2011 2010 2009 2008 2007. It is a dohc engine. Detailed honda element engine and associated service systems (for repairs and overhaul) (pdf) honda element wiring diagrams.there are much better ways of servicing and understanding your honda element engine than. Srs unit, power window master switch, a/f sensor relay, ecm/pcm, immobilizer control unit receiver, front accessory power socket, hazard warning switch. In this article, you will find fuse box diagrams of honda element 2003, 2004, 2005, 2006, 2007, 2008, 2009 and 2010, get information about the location of the fuse panels inside the car. Honda nsx 91 service manual. If you already bought a honda 2005 element or just going to purchase it, it will be very useful to familiarize yourself with the instructions for its useing and maintenance. Compare 2005 honda element different trims The 2005 honda element is a boxy crossover suv that seats four passengers and is capable of 25 mpg on the highway.
Find detailed specifications and information for your 2005 honda element. Determine from the chart on pages , or the diagram on the fuse box lid, which fuse or. Srs unit, power window master switch, a/f sensor relay, ecm/pcm, immobilizer control unit receiver, front accessory power socket, hazard warning switch. Honda element workshop, repair and owners manuals for all years and models. Honda has made few changes since then.
2003-2011 Honda Element Timing Mark Diagram 2.4 L K24 Engine from enginepartsdiagram.com It is a dohc engine. Honda element features and specs. Use for comparison purposes only. See body style, engine info and more specs. 2005 honda element engine fuse box diagram. *based on 2005 epa mileage estimates. Access the web's largest honda element parts catalog as well as view tutorials, repair guides and technical service bulletins. Srs unit, power window master switch, a/f sensor relay, ecm/pcm, immobilizer control unit receiver, front accessory power socket, hazard warning switch.
Engine type and required fuel.
2005 honda element engine fuse box map. Honda element features and specs. Honda nsx 91 service manual. 2005 honda element engine fuse box diagram. View and download honda 2005 element owner's manual online. Only seats four, clamshell doors hinder entry/exit for. The compact crossover suv honda element was produced from 2003 to 2010. Find detailed specifications and information for your 2005 honda element. Honda has made few changes since then. Compare 2005 honda element different trims Honda element engine diagram wiring diagram. The honda element is the versatile box of motor vehicles, combining unique and practical features with a kind of military/utilitarian chic. The networking warrior adam t lewis.