1999 Dodge Durango Wiring Diagram / My turn signal on my 1999 Dodge Durango is not working ... - Find this pin and more on 2002 dodge durango wiring by robert.. Get the repair info you need to fix your dodge durango instantly. 60 dodge durango workshop, owners, service and repair manuals. 1999 dodge durango wiring diagram | free wiring diagram assortment of 1999 dodge durango wiring diagram. Underhood fuses dodge durango 2. It shows the components of the circuit as simplified shapes, and the power and also signal.

2000 durango automobile pdf manual download. Full repair manual book chevrolet tahoe, suburban, blazer и gmc yukon, jimmy с 1987 по 1999 гг. The 1999 dodge durango overhead console wiring connections are beneath the overhead console. It provides high reliability through advanced circuit design and improved connector systems. 1999 dodge durango airbag diagnostic procedures supp service manual (sw154).

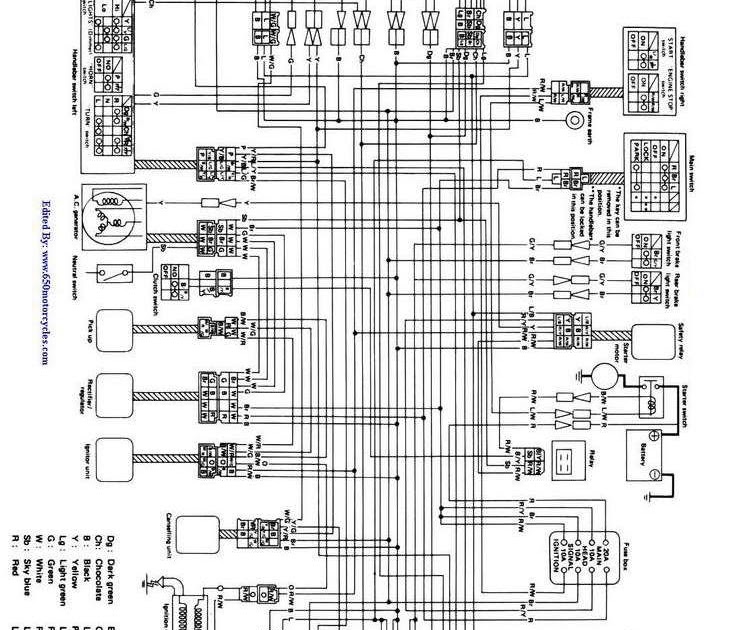
1999 DODGE DURANGO BLOWER MOTOR WIRING DIAGRAM - Auto ...
1999 DODGE DURANGO BLOWER MOTOR WIRING DIAGRAM - Auto ... from i0.wp.com
Dodge ram 2005, wiring diagrams. Copyright © 1999 daimlerchrysler corporation. I was driving on the freeway, when the check engine light came on, the oil pressure dropped to zero, the engine died, and had to be towed. You can find the ignition system wiring diagram here: Summary of contents for dodge 2000 durango. A wiring diagram is a simplified traditional pictorial representation of an electrical circuit. Whle replacing the motor the wires on the coding connector were pulled loose. 1999 5.9 liter dodge durango 78k engine quits in summer on 100+ mile trips power to lights, wait 30 min and will start again but go 60 miles… read more.

What is the proper sequence of wiring on a distributor cap for a 1999 dodge durango slt 4x4.

11.02.2019 · assortment of 1999 dodge durango wiring diagram. Underhood fuses dodge durango 2. It provides high reliability through advanced circuit design and improved connector systems. We've checked the years that the manuals cover and. Find this pin and more on 2002 dodge durango wiring by robert. Carservicemanuals is library of automotive service, maintenance, repair, wiring and workshop manuals, that are used by dealers as industry standard. Compare 1999 dodge durango different trims 1999 5.9 liter dodge durango 78k engine quits in summer on 100+ mile trips power to lights, wait 30 min and will start again but go 60 miles… read more. Copyright © 1999 daimlerchrysler corporation. It shows the components of the circuit as simplified shapes, and the power and also signal links in between the tools. What is the proper sequence of wiring on a distributor cap for a 1999 dodge durango slt 4x4. Cigar lighter (power outlet) fuses in the dodge durango are the fuses m7 (power outlet #2 (switchable)) and m36 (power outlet) in the engine compartment fuse. You can find the ignition system wiring diagram here:

Compare 1999 dodge durango different trims 99 durango how would i replace the drive shaft on a 99 dodge durango? If replaced alternator 3 times, battery and new cables. Automotive wiring in a 1999 dodge durango vehicles are becoming increasing more difficult to identify due to the installation of more advanced factory oem feel free to use any dodge durango car stereo wiring diagram that is listed on modified life but keep in mind that all information here is provided as. Whle replacing the motor the wires on the coding connector were pulled loose.

1999 Dodge Durango Wiring Diagram | Free Wiring Diagram
1999 Dodge Durango Wiring Diagram | Free Wiring Diagram from ricardolevinsmorales.com
You can find the ignition system wiring diagram here: 11.02.2019 · assortment of 1999 dodge durango wiring diagram. If i've replaced alternator more than 3 times in a 2 weeks difference along with battery and cables. 1999 dodge durango airbag diagnostic procedures supp service manual (sw154). We've checked the years that the manuals cover and. Page 1 service manual 2000 durango to order the special service tools used. Fuse box diagram (location and assignment of electrical fuses) for dodge durango (2011, 2012, 2013, 2014, 2015, 2016, 2017, 2018, 2019). I need a diagram of the wiring for the connector so i can code for the problem.

I need the wiring schematic for the infinity amp in a 1999 dodge durango.

The first two generations were very similar in that both were based on the dodge dakota and ram pickup. Colour wiring diagrams help track problems quickly and easily. We've checked the years that the manuals cover and. We have 60 dodge durango manuals covering a total of 37 these durango manuals have been provided by our users, so we can't guarantee completeness. The durango wiring system shares reliability features with dakota. It provides high reliability through advanced circuit design and improved connector systems. You'll get repair instructions, illustrations and diagrams, troubleshooting and diagnosis, and personal support any time you need it. Summary of contents for dodge 2000 durango. Specifically the leads leaving the amp, and going to the doors. Copyright © 1999 daimlerchrysler corporation. A wiring diagram is a simplified traditional pictorial representation of an electrical circuit. Underhood fuses dodge durango 2. The 1999 dodge durango overhead console wiring connections are beneath the overhead console.

New motor is in but problematic while idling. Specifically the leads leaving the amp, and going to the doors. We've checked the years that the manuals cover and. The online dodge durango repair manual is quick and easy to use. You'll get repair instructions, illustrations and diagrams, troubleshooting and diagnosis, and personal support any time you need it.

1999 DODGE DURANGO BLOWER MOTOR WIRING DIAGRAM - Auto ...
1999 DODGE DURANGO BLOWER MOTOR WIRING DIAGRAM - Auto ... from i0.wp.com
You'll get repair instructions, illustrations and diagrams, troubleshooting and diagnosis, and personal support any time you need it. 1999 dodge durango wiring diagram | free wiring diagram assortment of 1999 dodge durango wiring diagram. I need the wiring schematic for the infinity amp in a 1999 dodge durango. A wiring diagram is a simplified traditional pictorial representation of an electrical circuit. The first two generations were very similar in that both were based on the dodge dakota and ram pickup. You can find the ignition system wiring diagram here: 60 dodge durango workshop, owners, service and repair manuals. The online dodge durango repair manual is quick and easy to use.

I need the wiring schematic for the infinity amp in a 1999 dodge durango.

You'll get repair instructions, illustrations and diagrams, troubleshooting and diagnosis, and personal support any time you need it. Oil was shooting out through a hose that came on the front axle i know that oil has. Werni21 location offline senior member. Get the repair info you need to fix your dodge durango instantly. 2000 durango automobile pdf manual download. Copyright © 1999 daimlerchrysler corporation. Compare 1999 dodge durango different trims You will need to remove the overhead console?æin order to access the i have a 1999 dodge durango 4x4. 99 durango how would i replace the drive shaft on a 99 dodge durango? 11.02.2019 · assortment of 1999 dodge durango wiring diagram. Page 1 service manual 2000 durango to order the special service tools used. 1999 dodge durango airbag diagnostic procedures supp service manual (sw154). 4x4 slips out of 4x4.

By